PREHĽAD Objímka so zosilneným profilom. Možnosť montáže veľkých anténnych konštrukcií alebo SAT disk ku komínu.
Pripevnenie pásky: Pásku zakladáme do zárezu skrutky, následne navinieme 30 cm a až potom stlačíme matkou. Pásku takto pripevnenú k jednému koncu objímky natiahneme skrutkou na druhom konci (pritom dbáme na to, aby sa navinulo minimálne 30 cm pásky). Až potom dotiahneme matku.
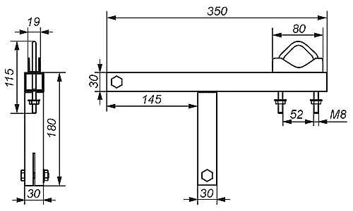
ŠPECIFIKÁCIA Materiál
Priemer stožiaru
Dĺžka pásky
Vybrané vlastnosti
Celková hmotnosť
Rozmery (DxŠxV)
Balenie
Pre vstup na túto webovú stránku prosím potvrďte, že spĺňate vekovú hranicu 18 rokov
